Styrker og Funksjoner i Transportørpulley-katalogen
En transportørpulley er en essensiell komponent i materialhåndteringssystemer. Den spiller en avgjørende rolle i å optimalisere transportprosesser, spesielt i industrielle og gruvedriftapplikasjoner. I denne artikkelen vil vi utforske noen av de viktigste egenskapene og fordelene ved transportørpulleys, basert på informasjon fra den nyeste katalogen.
Styrker og Funksjoner i Transportørpulley-katalogen
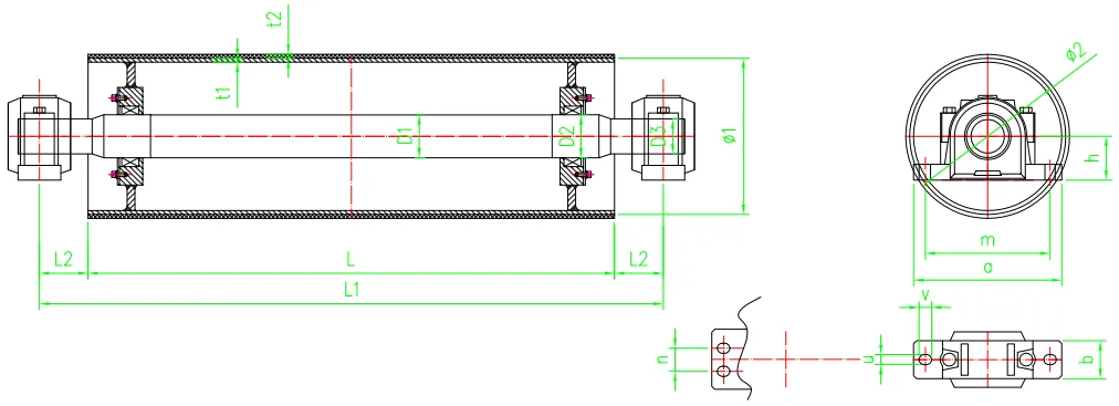
En av de mest fremtredende egenskapene ved transportørpulleys er deres evne til å redusere friksjon. Dette bidrar til å forlenge levetiden på selve transportørremmen, samt forbedre energieffektiviteten i systemet. Katalogen inkluderer detaljerte spesifikasjoner for hver pulley, inkludert belastningskapasitet, dimensjoner og tilkoblingsmuligheter. Dette gir ingeniører og planleggere muligheten til å velge den mest hensiktsmessige løsningen for sine spesifikke behov.

Videre er variasjonen i design og konstruksjon av transportørpulleys avgjørende. For eksempel tilbyr catalogen alternativer med gummibelagte overflater for å gi bedre grep, samt pulleys med integrerte tilbehør som skraper og børster for å minimere oppbygging av materiale. Katalogen gir også informasjon om tilpasningsmuligheter, slik at kunder kan få skreddersydde løsninger tilpasset deres unike applikasjoner.
Kvalitet og pålitelighet er avgjørende faktorer når man velger en transportørpulley. Katalogen fremhever at alle produkter er testet under strenge forhold for å sikre at de oppfyller bransjestandarder. I tillegg er det gitt en omfattende garanti som gir kundene trygghet ved kjøp.
Avslutningsvis er valg av riktig transportørpulley fundamentalt for effektiviteten i ethvert materialhåndteringssystem. Katalogen gir en omfattende ressurs for alle som søker pålitelige og effektive løsninger. Med et bredt utvalg av produkter og detaljerte spesifikasjoner, er den en uunnværlig guide for ingeniører og beslutningstakere i industrien.